
Este artículo está destinado a mostrar soluciones prácticas para el monitoreo innovador de la corriente residual con el fin de garantizar la confiabilidad operativa a través del mantenimiento preventivo para instalaciones eléctricas modernas en áreas altamente sensibles. Una inversión que vale la pena.
Dentro de los sistemas y equipos eléctricos fijos, los sistemas de monitoreo de corriente residual (RCMS) ofrecen una posibilidad óptima para la evaluación permanente de la degradación del aislamiento. Las corrientes residuales medidas pueden asignarse claramente a los respectivos circuitos y corriente utilizando equipos. Es posible una evaluación de seguridad/peligro relacionada con la instalación.
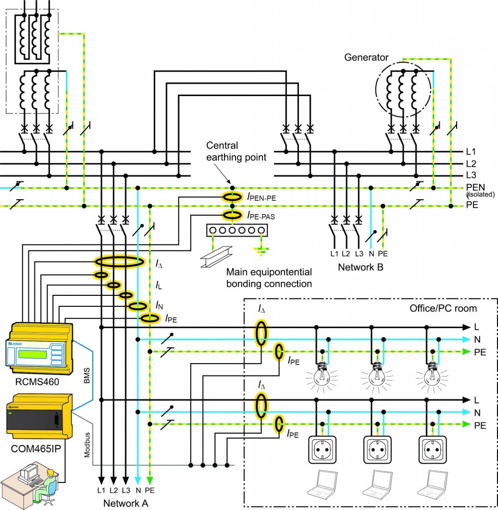
Medición de monitoreo de resistencia de aislamiento y/o medición de corriente residual en instalaciones eléctricas
Las ventajas de estos métodos de medición radican sobre todo en la prevención, es decir, estas mediciones pueden llevarse a cabo continuamente y proporcionan los valores medidos necesarios para la evaluación de seguridad/peligro del sistema eléctrico en una etapa temprana. En términos de seguridad eléctrica, en particular la de los equipos eléctricos que deben estar continuamente disponibles, o los sistemas donde es difícil medir la resistencia de aislamiento por razones técnicas, este método de medición ofrece muchas ventajas para la operación práctica.
Sin embargo, la aplicación de estos métodos de medición no exime al usuario de la obligación de llevar a cabo una verificación periódica de la instalación y el equipo eléctrico, p. Ej. mediante inspección, probando la continuidad de los conductores de conexión de protección y equipotencial y la efectividad de las condiciones de conmutación/desconexión.
Técnica de medición del dispositivo de monitoreo de corriente residual (RCM)

El trabajo de un dispositivo de monitoreo de corriente residual (RCM) es monitorear una instalación eléctrica o circuito para detectar la presencia de una corriente residual e indicar mediante una alarma si esto excede un valor especificado.
Con el sistema RCMS460 de Bender, que mide 12 canales de valores RMS verdaderos y es sensible a las corrientes universales, las corrientes residuales de 0…2000Hz y 6mA a 20A se pueden medir durante la operación y evaluar dentro de 180ms.
El sistema, que está equipado con una pantalla, indica si se han alcanzado o excedido los valores de respuesta preestablecidos o los tiempos de respuesta. Una función integrada de memoria de historial y registro de datos almacena hasta 300 mensajes con tiempos de falla exactos.
Al documentar el comportamiento de la instalación a lo largo del tiempo, es posible, dentro del marco del monitoreo permanente de la corriente residual, definir intervalos de prueba adaptados de acuerdo con la Regulación DGUV 3 y así cumplir con el objetivo de protección de BetrSichV “Definición de intervalos de prueba relacionados con peligros“.
Potencial de ahorro a través de intervalos de prueba adaptados para monitoreo permanente de corriente residual
Los objetivos de protección del BetrSichV y la Regulación DGUV 3 con respecto a las pruebas periódicas que se llevarán a cabo siempre se cumplen si se garantiza que el equipo eléctrico esté libre de defectos. Además del intervalo de prueba fijo, las instalaciones eléctricas fijas también pueden estar sujetas a “monitoreo continuo”.
Para equipos eléctricos móviles, la directiva de implementación de la Regulación 3 de DGUV “Instalaciones y equipos eléctricos” permite, además de la referencia estricta a los intervalos de prueba asignados, una extensión de los intervalos si se determina una tasa de falla menor al 2%. Las soluciones son concebibles si se garantiza que solo el equipo adecuado en pleno funcionamiento esté disponible para el empleado.
Resumen de las ventajas

Las principales ventajas del monitoreo permanente de la corriente residual se resumen a continuación:
Mantenimiento optimizado:
- Monitoreo permanente de acuerdo con la regulación DGUV 3 y BetrSichV a intervalos más largos en lugar de costosas inspecciones intensivas de plantas.
- Las medidas de mantenimiento se pueden llevar a cabo según la planta.
- La información sobre los cambios en el estado de la planta está centralizada.
- Gestión de instalaciones modernas mediante diagnóstico remoto a través de Internet/Ethernet.
Mayor seguridad operacional/de planta:
- Seguridad preventiva para proteger a las personas de los peligros derivados de la corriente eléctrica.
- Se minimizan las fallas y las interrupciones operativas inesperadas de los equipos sensibles.
- Las fallas de aislamiento en los sistemas y dispositivos recién instalados se detectan de inmediato.
- Los sistemas TN-S son monitoreados para puentes N-PE adicionales no deseados
Mayor eficiencia económica:
- No hay paradas costosas y no planificadas
- Menos tiempo y personal necesarios para el mantenimiento.
- Posibles ahorros de costos a través de primas de seguro más bajas
Mayor seguridad contra incendios:
- Ya se han detectado corrientes residuales en la fase de desarrollo.
- Se detecta sobrecarga en conductores neutros
- Se reducen los riesgos de incendio en los sistemas eléctricos.
En GAL Electric somos representantes de BENDER y contamos con soluciones en dispositivos de monitoreo de corriente residual, escríbanos a través de nuestro formulario de contacto para solicitar un presupuesto o asesorías.
Contáctanos
Recibe asesoría y cotización
